二、1230nmFBG激光器的特点:
单模输出
高输出功率
窄光谱带宽
高偏振消光比
光纤耦合封装
高可靠性
三、1230nmFBG激光器的应用领域:
拉曼泵浦
医疗领域
工业加工和制造
数据通信
科学研究
四、1230nmFBG激光器的参数:
| 参数 | 最小值 | 典型值 | 最大值 | 单位 | 备注 |
| 芯片温度 | 20 | 25 | 50 | ℃ | 可能因所选波长而异 |
| 正向电流 | 1200 | 1500 | mA | ||
| 输出功率 | 20 | 500 | mW | 在整个范围内无折弯 | |
| 正向电流@ 500mW | 1500 | mA | |||
| 正向电压 | 1.7 | 2 | V | ||
| 阈值电流 | 80 | 180 | mA | ||
| 平均波长(按需选择) | 1230 | 1250 | nm | ||
| 平均波长容差 | ±2 | nm | |||
| 带宽(FWHM) | 0.1 | 0.4 | 1.2 | nm | 分辨率20pm |
| FBG温度引起的波长偏移 | 0.01 | nm/℃ | |||
| 偏振消光比(PER) | 15 | 18 | dB | ||
| 偏振度 | TE |
绝对最大额定值
| 参数 | 最小值 | 最大值 | 单位 |
| 正向电流 | 1600 | mA | |
| 反向电压 | 2 | V | |
| TEC电流 | 3 | A | |
| TEC电压 | 4 | V | |
| 芯片工作温度 | 5 | 55 | ℃ |
| 外壳工作温度 | 0 | 70 | ℃ |
| 监控光电二极管偏置电压(可选) | 5 | V | |
| 引脚焊接温度(最大10秒,最大外壳温度120°C) | 300 | ℃ | |
| 存储温度 | -40 | 85 | ℃ |
| 光纤布拉格光栅工作温度 | -40 | 85 | ℃ |
| 光纤带半径 | 3 | cm |
典型性能(仅供参考)

热敏电阻规格
| 参数 | 规格 | 单位 |
| 类型 | NTC | |
| 电阻@ 25℃ | 10±0.1 | kOhm |
| Beta 25-85℃ | 3435±1% | K |

光纤规格
| 参数 | 数值 | 数值 | 单位 |
| 光纤类型 | HI1060 | PM980 | |
| 数值孔径(典型值) | 0.14 | 0.12 | |
| 截止波长 | 920±50 | 900±70 | nm |
| 模场(芯)直径 | 6.2±0.3@1060nm | 6.6±0.3@1060nm | µm |
| 包层直径 | 125±1 | 125±1 | µm |
| 涂层(缓冲)直径 | 245±15 | 245±15 | µm |
| 松套管直径(可选) | 900 | 900 | µm |
| 连接器 | FC/APC | FC/APC | |
| Key | narrow | narrow |
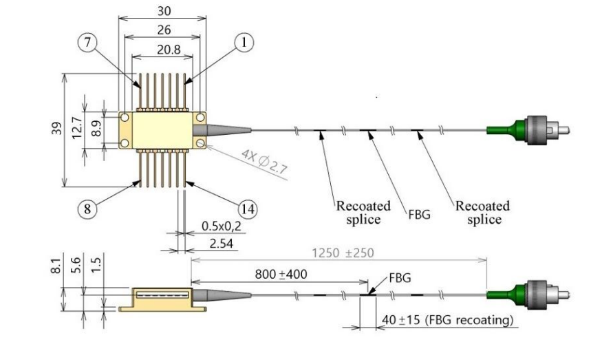
五、四川梓冠光电1230nmFBG激光器机械尺寸
