一、窄线宽扫频光纤激光器的定义
窄线宽扫频光纤激光器采用专业的电流扫频驱动技术,配合独有的稳频技术,使激光器保持单纵模、超低相对强度噪声和相位噪声高性能稳定输出,实现稳定功率,窄线宽,低噪声光信号扫频输出。
二、窄线宽扫频光纤激光器特性
光谱线宽小于300kHz
高边模抑制比
高频率稳定性,无跳模
低相对强度噪声
三、窄线宽扫频光纤激光器应用领域:
气体检测
相干光通信
光纤水听器
激光雷达
四、窄线宽扫频光纤激光器规格参数
| 参数指标 | 单位 | 数值 |
| 波长范围 | nm | 1528-1568 |
| 信噪比 | dB | >35 |
| 扫描频率 | Hz | 1000-2000@40nm |
| 1GHz@6nm | ||
| 5Ghz@50GHz | ||
| 输出功率 | mW | ≤6(可定制) |
| 光学扫频范围 | nm | ≥40 ; 6nm or 50G |
| 光谱线宽 | MHz | ≤200khz@50GHz |
| ≤100khz@6nm | ||
| ≤5@40nm | ||
| 扫描步长 | GHz | 1 |
| 波长稳定度 | pm | <1 |
| 边模抑制比 | dB | ≥40 |
| 波长绝对精度 | pm | <5 |
| 波长相对精度 | pm | <2 |
| 相对强度噪声@>1MHz | dB/Hz | <-110dB/Hz@1M |
| 输入信号频率范围 | KHz | 1-100 |
| 功率不稳定性 | <5% | |
| 输出光纤类型 | SMF-28e、PM1550 | |
| 工作温度 | -15~55° | |
| 供电 | DC5V | |
| 产品尺寸 | mm | 120(L)×80(W)×15.6(H)(模块) |
备注:该产品属于定制产品
1、(波长稳定度根据实测可能<5pm)
2、(在工作温度范围内,需要解决温飘)
五、窄线宽扫频光纤激光器的通讯协议
| 序号 | 协议 | 项目 | 命令 | 举例 |
| 1 | 发送扫描起始频率到模块( 写数据到 Reg 0x93)(缺省为196250) | 上位机发送些寄存器 | 0xXX 0x93 0xHH 0xL | 例:起始频率=196250GHZ 则: 0XHHLL = 196251-196250 = 0x0001 |
| 模块回上位机 | 0xXX 0x93 0xHH 0xLL | |||
| 0xHHLL = (196251-起始频率) | ||||
| 2 | 发送扫描步长到模块( 写数据到 Reg 0x94) (缺省为1) | 上位机发送些寄存 | 0xXX 0x94 0xHH 0xLL | 例:扫描步长=1GHZ 则:0xHHLL=0x0001 扫描步长可以设成整数1或2 |
| 模块回上位机 | 0xXX 0x94 0xHH 0xLL | |||
| 0xHHLL=扫描步长 | ||||
| 3 | 发送扫描停止频率到模块( 写数据到 Reg 0x95)(缺省为191150) | 上位机发送些寄存器 | 0xXX 0x95 0xHH 0xLL | 例:停止频率=191150 GHZ 则:0XHHLL=196251-191150 = 0x13ED |
| 模块回上位机 | 0xXX 0x95 0xHH 0xLL | |||
| 0xHHLL=(196251-停止频率) | ||||
| 4 | 发送扫描控制命令到模块(写数据到Reg 0xA4) | 上位机发送些寄存器 | 0xXX 0xA4 0x00 0xLL | |
| 模块回上位机 | 0xXX 0xA4 0x00 0xLL | |||
| 0xLL=0x01单一周期扫描 0x02循环扫描 0x00停止/中断扫描 设定寄存器的顺序依次为:Reg 0x93,0x94,0x95,0xA4 | ||||
| 5 | 读取序列号 | 上位机发送些寄存器 | 0xXX 0Xc1 0x00 0x00 | 例:序列号99999999=0x05F5E0FF; 则0xXX 0Xc1 0x00 0x00响应0xXX 0xc1 0x05 0xF5 0xXX 0Xc2 0x00 0x00响应0xXX 0xc2 0XE0 0xFF |
| 模块回上位机 | 0xXX 0xc1 0xHH 0xHH | |||
| 上位机发送些寄存器 | 0xXX 0Xc2 0x00 0x00 | |||
| 模块回上位机 | 0xXX 0xc2 0xLL 0xLL | |||
| 6 | 读取版本号 | 上位机发送些寄存器 | 0xXX 0Xc3 0x00 0x00 | |
| 模块回上位机 | 0xXX 0xc3 0xHH 0xLL | |||
| 7 | 设置扫描速度 | 上位机发送些寄存器 | 0xXX 0X96 0xHH 0xLL | |
| 模块回上位机 | 0xXX 0x96 0xHH 0xLL | |||
| HHLL:支持速度可调 | ||||
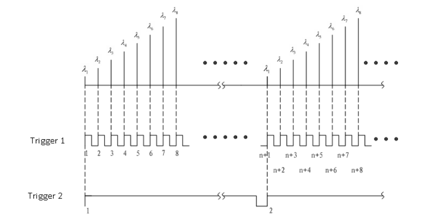
六、窄线宽扫频光纤激光器的触发信号

开始扫描时,第一个DAC给出时Trigger2产生上升沿,Trigger1的第一个上升沿在第一个DAC给出延时一个扫描步进时间再给上升沿,占空比50%,依此类推,Trigger2在最后一个扫描点的DAC给出后变低。循环扫描时,以上连续重复工作。
七、窄线宽扫频光纤激光器的电气接口

八、窄线宽扫频光纤激光器的固定频率输出方法(3个步骤)
(步骤1和步骤2的固定频率为同一个频率)
(固定频率可配置范围为:196249GHz-191155GHz)
| 步骤1 | 上位机发送些命令 | 0xXX 0x93 0xHH 0xLL | 例:固定频率=196249GHZ 则:0XHHLL=196250-196249=0x0001 |
| 模块回复 | 0xXX 0x93 0xHH 0xLL | ||
| 0xHHLL=(196250-固定频率) | |||
| 步骤2 | 上位机发送些命令 | 0xXX 0x95 0xHH 0xLL | 例:固定频率=196249GHZ 则:0XHHLL=196250-196249=0x0001 |
| 模块回复 | 0xXX 0x95 0xHH 0xLL | ||
| 0xHHLL=(196250-固定频率) | |||
| 步骤3 | 上位机发送些命令 | 0Xd1 0xA4 0x00 0x02 | |
九、窄线宽扫频光纤激光器尺寸图(模块/台式)

四川梓冠光电窄线宽扫频光纤激光器采购信息
| 参数指标 | 波长(nm) | 输出功率 | 输出光纤 | 连接头形式 | 封装形式 |
| 规格 | 1550 | 20 30 50 | PM:保偏光纤,线偏输出 SM:单模光纤 | FA=FC/APC FU=FC/UPC | M=120*80*15.6 |